Konkretnie i na temat
Wszystkie materiały zamieszczone na tej stronie służą celom edukacyjnym i poznawczym dla osób interesujących tematyką nadajników radiowych. Polskie prawo nie zabrania posiadania radiowych urządzeń nadawczych. Dozwolone jest również używanie nadajników UKF-FM o mocy do 20mW (0,02W). Przekroczenie tej mocy jest przez polskie prawo karalne grzywną, lub pozbawieniem wolności do 2 lat.

Schematy nadajników

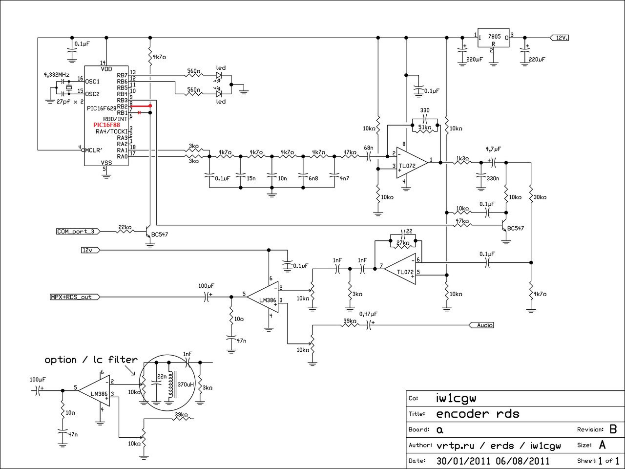
Koder RDS sterowany z mikrokontrolera PIC16F88 lub 16F628A (MonRDS)

Projekt kodera RDS został zaczerpnięty z internetu ze strony www.vrtp.ru.
Jest to kompletny koder RDS, o prostszej konstrukcji i parametrach, w porównaniu z koderem na PIC16F84. Istnieją dwie wersje tego kodera, pierwsza oparta na mikrokontrolerze PIC 16F628A, oraz druga zbudowana na PIC16F88. Schemat oraz projekt płytki jest prawie identyczny. Róźnica polega jedynie na ilości dostępnej do zaprogramowania pamięci, oraz nóżce programującej(dla PIC16F628A - 7 nóżka, PIC16F88 - 8 nóżka). Wersja na PIC16F88 potrafi zapamietać 10 dynamicznych PS, oraz umożliwia zaprogramowanie do 6 częstotliwości AF. W przypadku zastosowania kontrolera PIC16F628A, ze względu na mniejszą pamieć, mamy do syspozycji tylko 6 PS, oraz brak obsługi AF. Aby ułatwić złożenie tego kodera zamieszczam projekt plytki drukowanej dostępny tutaj. Mikronotroler programujem w taki sam sposób, jak na poprzednim koderze. Należy skorzystać z zamieszczonego poniżej programatora mikrokontrolerów PIC, wraz z dołaczoną aplikacją pochodzącą ze strony www.ic-prog.com. Po zaproramowaniu mikrokontrolera, i wlutowaniu wszystkich elementów na płytkę, koder jest gotowy do pracy. W dalszej kolejności podpinamy nasz koder do komputera, do portu szeregowego COM1 lub COM2, i programujemy zawartość RDS dołączoną aplikacją




Koder RDS sterowany z mikrokontrolera PIC16F628A lub PIC16F88 - schemat
--> projejkt płytki drukowanej
--> programator mikrokontrolerów PIC - schemat (Opis) (Płytka druk.)
--> programator aplkacja ICprog (sterownik ICprog dla Windows NT/2000/XP)
--> binarka do PIC16F628A --> binarka do PIC16F88
--> Program do obsługi kodera MONRDS

Powrót

Wszystko o polskim eterze RadioPolska - Polecam
Najwieksza strona piratów radiowych FB Piraci Radiowi